二次设备是指对一次设备的工作进行监测、控制、调节、保护以及为运行、维护人员提供运行工况或生产指挥信号所需的低压
电气
设备。如熔断器、控制开关、
继电器
、控制电缆等。由二次设备相互连接,构成对一次设备进行监测、控制、调节和保护的电气回路称为二次回路或二次接线系统。
二次回路的故障常会破坏或影响
电力
生产的正常运行。例如若某变电所差动保护的二次回路接线有错误,则当变压器带的负荷较大或发生穿越性相间短路时,就会发生误跳闸;
若线路保护接线有错误时,一旦系统发生故障,则可能会使
断路器
该跳闸的不跳闸,不该跳闸的却跳了闸,就会造成设备损坏、电力系统瓦解的大事故;若测量回路有问题,就将影响计量,少收或多收用户的电费,同时也难以判定电能质量是否合格。因此,二次回路虽非主体,但它在保证电力生产的安全,向用户提供合格的电能等方面都起着极其重要的作用。
为便于安装、运行和维护,在二次回路中的所有设备间的连线都要进行标号,这就是二次回路标号。标号一般采用数字或数字与文字的组合,它表明了回路的性质和用途。
回路标号的基本原则是:凡是各设备间要用控制电缆经端子排进行联系的,都要按回路原则进行标号。此外,某些装在屏顶上的设备与屏内设备的连接,也需要经过端子排,此时屏顶设备就可看作是屏外设备,而在其连接线上同样按回路编号原则给以相应的标号。
为了明确起见,对直流回路和交流回路采用不同的标号方法,而在交、直流回路中,对各种不同的回路又赋于不同的数字符号,因此在二次回路接线图中,我们看到标号后,就能知道这一回路的性质而便于维护和检修。





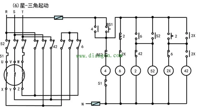
星·三角起动:


电机起动方式:
直接起动;
降压起动:定子串联电阻(或电抗)起动,,星-三角起动,自偶变压器降压起动,转子串联电阻起动。
1.异步电机起动时,静止的转子和旋转磁场间相对转速大,使转子绕组中感应电动势和感应电流很大,同时定子电流也大。
2.直接起动是指电机在额定电压下起动,直接起动时,起动电流为额定电流的5-7倍,会在电源线路上产生较大的电压降,影响同一电网上的其他负载,电机容量小于供电变压器的20%-30%,可以直接起动。
3.降压起动是在电机起动时,设法降低每相绕组的电压,减小起动电流,容量大的电机应采用降压起动。
4.定子串联电阻(或电抗)起动指在定子电路中串联电阻或电抗器,限制起动电流,降低定子电压,当转速接近额定值时,再将电阻或电抗器短接。
5.星-三角起动为起动时按星型连接,正常运转时按三角型连接。
串联电阻(电抗器)起动:

三相电源:相线&零线;
相电压(UP),相电流(IP),线电压(UL),线电流(IL)。
如果电动机正常工作时其定子绕组是接成三角形联段的,那么在起动时为了减小起动电流,可以将其接




文章摘自电工电气学习网感谢分享




评论0