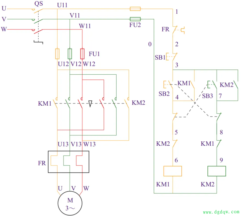
在电气控制领域,互锁电路是一种至关重要的安全设计,它主要分为机械互锁和电气互锁两种形式。这两种互锁方式犹如守护神一般,确保设备运行的安全性与稳定性。
1、机械互锁
以SB2按钮为例,其采用的是带有机械互锁功能的按钮结构。当SB2所在回路正常运转时,位于“5”上方的常闭触点处于通电状态。此时,若有人误操作按下与之通过虚线连接的SB3按钮,由于机械结构的制约,该按钮将毫无反应。这种设计巧妙地利用了机械装置的特性,从物理层面阻止了两个回路同时通电的可能性,为设备安全上了第一把锁。
2、电气互锁
再看电气互锁机制。当SB2所在回路通电后,接触器KM1的线圈获得供电。随之而来的是,在“8”下方的KM1常闭触点会立即断开。这一变化如同一道无形的屏障,有效阻断了另一个回路的供电路径。通过这种方式,电气互锁凭借电子信号的逻辑判断,实现了对电路的双重保护,避免了因人为失误或设备故障导致的短路、过载等危险情况的发生。
对于广大电工朋友而言,理解和掌握这两种互锁电路的原理与应用至关重要。它们不仅是保障设备安全稳定运行的关键,更是提升工作效率、降低维护成本的有效手段。在日常工作中,我们应根据实际情况灵活运用这两种互锁方式,为电气系统的可靠运行保驾护航。
文章摘自电工电气学习网感谢分享




评论0