通过空载试验可以测定:(1)变比k;(2)空载损耗P0;(3)励磁参数
.
.
。
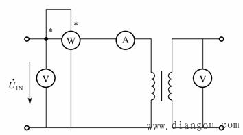
理论上空载试验即可以在高压侧进行,也可以在低压侧进行,但为了安全起见,一般是在低压侧进行。单相变压器空载试验接线图如图1所示。假定试验对象为一台升压变压器,则原边绕组为低压侧。在原边绕组施加额定电压
,分别测取
.
.
。空载运行时,
比较小,所以绕组铜耗图1空载试验接线图
也比较小,但所施加的电压为额定电压,根据
可知,主磁通
为额定值,而铁耗的大小取决于磁场的强弱,故空载时所测功率
可认为近似等于铁心中的铁耗
,即
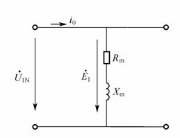
。又因为主磁通远大于漏磁通,有
,其等效电路如图2所示。
空载时所测阻抗可近似等效为励磁阻抗,即
对三相变压器而言,公式中的各量都要采用相值,即一相的损耗.相电压和相电流。所测励磁阻抗是否需要归算,视要求而定。例如一台降压变压器,副边绕组属于低压侧,试验在副边绕组进行,测的参数便属于副边绕组参数,如要求得到归算到原边绕组的参数,便须在计算值的基础上乘以变比的平方。需要指出的是,励磁阻抗与铁心的饱和程度有关,电压图2 空载试验等效电路图

超过额定值越多,饱和程度越高,
越小。常用的励磁阻抗为对应于额定电压下所测的
。
二.短路试验
通过短路试验可以测定:①短路参数
.
;②额定铜耗
。
短路试验时,副边绕组处于短路状态。理论上短路试验即可以在高压侧进行,也可以在低压侧进行,图3短路实验接线图
但为了安全起见,一般是在高压侧进行。短路试验接线图如图3所示。下面以降压变压器为例来说明其试验步骤。原边绕组为高压侧,故在原边绕组加压。开始时电压必须很低,直到原边.副边绕组电流达到额定值。此时测得
.
.
。由于短路试验所施加电压很低,
仅为
的4%~10%,根据
,可知
很小,铁耗也很小,铁心的饱和程度低,故
就很大,励磁支路可认为处于开路状态,从电源所吸收的功率也可以认为是全部消耗在绕组电阻上。此时,等效电路如图4所示。可以由以下公式

求取短路参数
绕组电阻与温度有关,根据国家标准,对于绝缘等级为A.B.E的油浸式变压器,
文章摘自电工电气学习网感谢分享



评论0