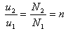
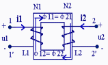
理想变压器是实际变压器的理想情况。实际电感线圈实现的变压器到理想变压器的近似过程可以用下图来说明。 |
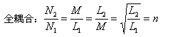
φ11= φ21, φ22= φ12 | |
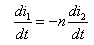
3. 当电感线圈的电感量很大时,由 |
文章摘自电工电气学习网感谢分享
理想变压器是实际变压器的理想情况。实际电感线圈实现的变压器到理想变压器的近似过程可以用下图来说明。 |
φ11= φ21, φ22= φ12 | |
3. 当电感线圈的电感量很大时,由 |
文章摘自电工电气学习网感谢分享
感谢您的来访,收藏本站可更快地获取精彩文章!
1本网站名称:知筑侠 本站永久域名:zhzux.com
2本站部分内容源于网络和用户投稿,仅供学习与研究使用,请下载后于24小时内彻底删除所有相关信息,如有侵权,请联系站长进行删除处理。
3用户评论和发布内容,并不代表本站赞同其观点和对其真实性负责。
4本站禁止以任何方式发布或转载任何违法的相关信息。
5资源大多存储在云盘,如发现链接失效,请联系我们替换更新。
6本站中广告与用户付费(赞助)等均用以网站日常开销,为非盈利性质的站点,不参与商业行为,纯属个人兴趣爱好。

评论0