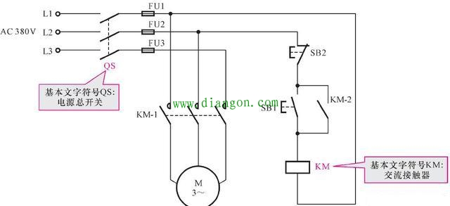
基本文字符号用以标识电气设备、装置、元器件以及线路的种类、名称和特性。图2所示为典型电工线路中的基本文字符号。

图1 电工线路中的文字符号标识

图2 电工线路中的基本文字符号
通常基本文字符号一般分为单字母符号和双字母符号。其中,单字母符号是按拉丁字母将各种电气设备、装置、元器件划分为23个大类,每大类用一个大写字母表示。如“R”表示电阻器类,“S”表示开关、选择器类,在电气线路中,单字母优先选用。
双字母符号由一个表示种类的单字母符号与另一个字母组成,通常采用单字母符号在前、另一个字母在后的组合形式。如“F”表示保护器件类,“FU”表示熔断器;“G”表示电源类,“GB”表示蓄电池(“B”为蓄电池的英文名称Battery的首字母);“T”表示变压器类,“TA”表示电流互感器(“A”为电流表的英文名称Ammeter的首字母)。
文章摘自电工电气学习网感谢分享



评论0