首先要懂得一些基本的符号所代表的是什么.然后再去读识一些比较简单的的电路图,注意思考.简单的掌握了就可以增加你的兴趣,继而化作动力,让你去尝试挑战一些比较复杂的电路图.然后逐个击破,你就像走阶梯似的进步.持之以恒,获益匪浅!
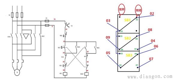
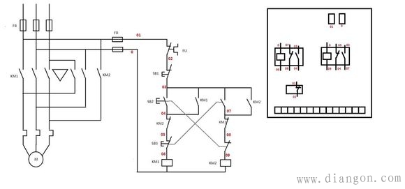
先要看懂图,新老标示符号。其次动手能力要强,在没有图纸的情况下,至少能揣摩出设备的大概接线方式。我用双连锁正反转控制线路做示范 首先我们先给原理图编号(这个图忘画接触器连锁了,后面加上)编号原则:1:编号从上到下,从左至右的原则。2:同电位点只编一个号注意:“同电位”这里指的是没经过任何元器件,只要有元器件经过就不能算同电位。也就是说只要有元器件连接就必须编号,编完后线圈共用的线编为0号线(按钮与按钮之间如果没其他元器件可以不编号)如下图: 在这里我只编了控制线路。编过号以后就可以画按钮配线了。按钮配线首先要知道图中有多少个按钮,按钮的常开常闭(图中中间有线连接的两点为常闭点,没有连接的为常开点。 首先看图中每个按钮的常开,常闭点是几号电位点在对应的按钮接点上标出电位号,同号电位点要画到同一边,标号时可以用单双号分开。然后相互短接,每个接点最多只能接两根线,如图中3号电位点。(https://www.dgdqw.com/版权所有)然后每个电位号引出一根线,相同的电位号只能引出一根线。(如果按钮与按钮之间没有和其他元器件相连不用引出线,直接同号相连就行了)画好后就可以按图接按钮配线了。 按钮配线图画好后就可以画元器件的配线图了原件配线图和按钮配线图大同小异,先画出元器件在画出每个元器件在原理图中所用的部件(如触头,线圈等)用几个画几个,然后在标出每个部件的电位号。同样同电位号尽量放在同一边,实在不能放在同一边的视情况而定。 标完以后就可以连线了。要把和按钮引出线相同电位号的全部连到端子排,并标号,原则是先连长的再连短的。连完以后再把相同电位号短接起来。连完后就照图进行正式接线,接线时要注意先接一根最远的作为基准如这个图就要先接01号线。然后再接引入端子排的线,原则也是先接长的再接短的,最后接短接线。 (当然如果你用行线槽就的话就不用遵循这个原则)接完就把刚才配好线的按钮的引出线和端子排按号对接。(一定要按号对接)对接完以后你的控制电路就完成了,主线路和控制线路大同小异,在这里我就不多说了。如有不妥之处请大师指点,相互学习。
文章摘自电工电气学习网感谢分享
微信扫描下方的二维码阅读本文










评论0