
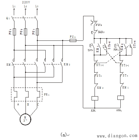
图1行程控制线路
在图1a)所示的控制线路中,行程开关ST1的动断触点串联在KM1控制电路中,而它的动合触点是与KM2的起动控制按钮SB2并联、这样当工作台由KM1控制前进到一定位置碰触到ST1时,由于ST1断触点受压断开,KM1失电,工作台停止前进;而ST1动合触点受压闭合,起动KM2, KM2得电自锁,控制工作台自动退回;当退至原位触碰ST2时,ST2动断触点断开,又使KM2关断,使工作台停止后退。继而ST2动合触点闭合又重新起动KM1,使工作台再次前进;即实现了工作台的自动往复工作。上述工作过程可用图1b)的动作图进行描述。(行程开关安放位置有误)图1所示控制线路存在的一个问题是若工作台恰好位于两端位置,即ST1或ST 2处于受压的状态时,按动一次停车按钮SB3不能使工作台立即停下来。因为只要松开SB3,其动断触点复位。由于ST1或ST2的动合触点处于受压闭合状态,KM1或KM2必有一方重又得电,使工作台或进或退。这时只有当工作台离开终端位置(即ST1和ST2都处于复位状态)时,再按SB3才能使工作台停下,

图2 改进的行程控制线路
为使工作台在任一位置都能立即停下,可利用一中间继电器来建立工作台的上作条件。其实现电路如图2所示。中间继电器K和两接触器是联锁关系。
除行程开关ST1和ST2外,还有开关ST3与ST4安装在行程极限位置。当由于某种原因工作台到达STl与ST 2位置时,未能切断电动机,工作台将继续移动到极限位置,压下ST3或ST4,此时可使电动机停止,避免由于超出允许位置所导致的事故,因此ST3与ST4起超程限位保护作用。
工作台往复工作自动循环控制线路,实现的是两个工步交替执行的顺序控制,两个行程开关交替发出切换信号,控制两个工步的转换。若加在某个工艺过程中包含有多个工步时,则可由若干个行程开关顺序来实现工步切换。
文章摘自电工电气学习网感谢分享




评论0