管线综合支吊架是在安装工程中将给排水、暖通、电气、消防等各专业的支吊架综合在一起,统筹规划设计,整合成一个统一的支吊架系统,有利于节约成本、加快施工进度、提高观感质量,并最大限度的节省空间。实例赏析武汉建工集团在工程中应用并总结的管线综合支吊架施工工法,以供大家学习应用!
管线综合支吊架技术优势多多
给排水系统、空调水系统、空调风系统、消防平层主管、强弱电桥架,可以采用同一支吊架,省去了穿插安装支吊架的复杂过程,提高了工作效率。
普通安装方式支吊架凌乱分散,交叉较多,采用综合支吊架工法,将排布整齐有序的综合支吊架取代传统支吊架形式,不仅减少了支吊架的数量,而且使管线走线更清晰,明朗,观感、质量均大大提高。在满足各种管线布置的前提下,有效地控制整体占用空间。
支吊架设计时,考虑所有被支吊物最大应力时的极限叠加,而实际受力远小于此,例如水平力同时达到相同方向的最大值等。经过荷载计算,保证了综合支吊架的强度,相对于传统支吊架做法更安全可靠。
支吊架的减少,减少了建材用量,节约了成本。节约了资源,减少了现场加工的人工及材料加工时产生的噪音和固体废弃物污染。
学习管线综合支吊架施工工艺
首先对安装工程给排水、暖通、电气、消防等所有专业进行深化设计,利用BIM等工具优化布局,对各专业管线进行综合布置。根据管线综合布置的结果,制定出支吊架初步方案。根据方案计算间距、过载重量,再通过计算结果确定吊杆和横梁的尺寸,然后制定支吊架定型方案及大样图。最后根据策划确定的方案及大样图下料、制作、安装。
① 结合现场深化设计
↓
② 对各专业管线进行综合布置
↓
③ 确定支架间距及过载计算
↓
④ 计算支吊架尺寸及选材
↓
⑤ 设计综合支吊架方案及大样图
↓
⑥ 支吊架材料准备及加工制作
↓
⑦ 支吊架安装
↓
⑧ 支吊架的校正及检查试验
1结合现场深化设计
首先明确设计及规范要求,结合现场熟悉图纸。
2对各专业管线进行综合布置
1. 工程管线综合布置原则
1)大管优先。由于大截面、大直径的管道,如空调通风管道、排水管道、冷却水管道、排烟管道等占据的空间较大。在平面图中先作布置。
2)强弱电分设。由于弱电线路如电信、有线电视、计算机网络和其它建筑智能线路易受强电线路电磁场的干扰,因此强电线路与弱电线路不应敷设在同一个电缆槽内。
3)有压让无压。指有压管道和无压管道。无压管道.如生活污水、粪便污水排水管、雨排水管、冷凝水排水管等都是靠重力排水,因此,水平管段必须保持一定的坡度,是顺利排水的必要和充分条件。所以在与有压管道交叉时,有压管道应避让。
4)电气避热避水。在热水管道、蒸汽管道的上方及水管的垂直下方不宜布置电气线路。
2. 综合考虑各专业特性
1)综合支吊架施工技术的关键是熟悉各专业管线的特性,有压管道、桥架走向相对不受限制,只要适当考虑节约即可,而对于排水、空调冷凝水等无压管道,坡度是必须要考虑的因素,且不宜受其它管线影响其路由,以确保坡度合理,排水通畅。
2)考虑保温、隔热垫的设置高度。
3)风道是空间占用最大的,可以考虑在支吊架上设二层支吊架把风道架高的办法,这样风道下面还可以有走管线的空间。
4)了解各专业管线的支吊架设置要求,确定合理的支吊架布置间距、形式、材质及规格型号。
5)考虑装饰施工的吊顶龙骨施工情况,特别是主龙骨的设置,明确其布置位置,高度尺寸。
3. 明确支吊架的综合布局,利用计算机画出初步施工布置图,明确布置方案。
根据初步确定布置情况现场核实方案的可行性,依据具体墙体设置情况,顶部梁板分布情况,结合盘管、风机等设备的位置情况,进行方案的调整,确定支吊架形式、材质,型号的规格,最终达到方案切实可行。
3确定支架间距及过载计算
1. 管架计算间距
管架计算间距可定为1.5米,3.0米,6.0米三种。
2. 过载计算
1)设备、风道、电缆桥架、各类管道自重
设备、风道自重参照设备出厂合格证及检测报告具体数据;电缆桥架自重参照《五金手册》进行计算;各类钢制管道自重,管径DN15~DN150按照国家标准《低压流体输送用焊接钢管》的普通钢管,管径DN200~DN500按照国家标准《输送流体用无缝钢管》的最小壁厚管重计算。塑料管道自重,管径20mm~315mm按照国家标准《给水用硬聚氯乙烯管材》的管重计算。
2)安装过载计算
设备按动载承重计算;风道按风道自重计算;电缆桥架按承载电缆重量及桥架自重之和计算,各类管道重量按保温管与不保温管两种情况计算。
(1)保温管道:按设计管架间距的管道自重、满管水重、60mm厚度保温层重以及以上三项之和10%的附加重量计算。保温材料容量按岩棉100kg/m³计算。
(2)不保温管道:按设计管架间距内的管道自重、满管水重及以上两项之和10%的附加重量计算。
(3)各种管道间距管重均为计入阀门重量(弯管托座管重包括阀门重量),当管架中有阀门时,在阀门段应采取加强措施。
(4)管架计算管重不足10kg的按10kg计算,超过10kg的按10kg进位化整,如24.3化整为30kg。
3)设计荷载
(1)垂直荷载
考虑制造、安装等因素,采用管架间距的标准荷载乘1.35的荷载分项系数。
(2)水平荷载
按垂直荷载的0.3倍计算。
(3)地震荷载
按地震设防烈度≤8度计算地震作用。不考虑风荷载。
4计算支吊架尺寸及选材
1. 吊杆
吊杆按轴心受拉构件计算,并考虑了一定的腐蚀余量。吊杆净面积An按下式计算,并满足国标GB/T17116.3。吊杆最大使用荷载见下表。
An-吊杆净截面积(mm²)
N-吊杆拉力设计值(N)
f-钢材强度设计值(N/mm²)
吊杆最大使用荷载
2. 横梁
1)横梁抗弯强度计算
rx、ry-截面塑性发展系数
Mx、My-所验算截面绕x轴和绕y轴的弯矩(N-mm)
Wnx、Wny-所验算截面对x轴和对y轴的净截面抵抗矩(mm³)
f-钢材强度设计值(N/mm²)
2)横梁抗剪强度计算
r-抗剪强度(N/mm²)
V-计算截面沿腹板平面作用的剪力(N)
S-计算剪力处以上毛截面对中和轴的面积矩(mm³)
Ix-毛截面惯性矩(mm⁴)
tw-腹板厚度(mm)
fv-钢材的抗剪强度设计值(N/mm²)
3. 连接计算
焊接连接及螺栓连接按钢结构设计规范的有关公式,计算所需焊缝长度及连接螺栓大小。
4. 受弯梁挠度和受压构件长细比的规定
受弯梁绕度不宜大于L/200(L为受弯构件的跨度,对悬臂梁和伸臂梁为悬伸长度的二倍)。受压构件的允许长细比不宜超过120。
5. 选材要求
1)本设计如无特殊标明,均按重量计算设计。在满足5.2.3的条件下,可直接使用本设计。有防震要求时,应在管卡部位的周围衬垫3mm的橡胶层。
2)管道吊架由吊架根部、吊杆、横担和管卡四部分组成,可根据需要进行组合选用,同时还应注意,吊架根部的吊杆直径必须与各吊架横担的吊杆直径相同。
3)本设计仅考虑支吊架本身的强度与变形。当管径较大时,有关支吊架对于梁、板、柱、钢架等结构强度的影响,须经结构专业设计人员验算。
4)支吊架所使用的标准件应为专业厂家生产,自行制作的管架所用的钢材应采用Q235B钢,制作时,钻孔不得使用气割,电焊条采用E4300~E4313号。
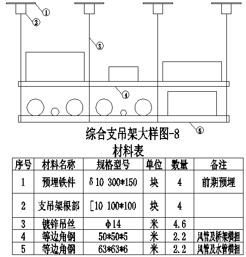
5设计综合支吊架方案及大样图
具体参见下图(综合支吊架大样图),施工时可根据不同的现场施工情况和用途进行自主调整和变更。
6支吊架材料准备及加工制作
1. 钢材的除锈与防腐
钢材进场经监理验收后,采用角向磨光机对钢材进行除锈;除锈完成后,采用空压机对钢材喷漆进行防腐。
2. 综合支吊架的根部的加工制作
综合支吊架的根部采用[10槽钢加工制作,制作方法如下:采用氧气、乙炔对槽钢进行截断,再采用氧气、乙炔在槽钢段的一侧开口,开口大小为50mm×13mm;最后,采用角向磨光机对已加工好的根部进行抛光处理。
3. 综合支吊架根部的焊接
根部加工完毕后,将其与原来预留的支吊架预埋铁件进行焊接,使它们连接牢固。支吊架上部应与预埋件平齐,不得超出或低于预埋件,焊缝厚度不得小于4mm,全长度满焊。
4. 综合支吊架根部的防腐
根部焊接完成后,将焊渣清理干净后,采用红丹防锈漆对其进行防腐处理。
5. 吊梁的加工制作
综合支吊架的根部焊接完成后,根据电缆桥架、风管、水管的设计施工图纸,结合施工现场实际情况;采用砂轮切割机和台钻,对∠40×4、∠50×5、∠63×6的角钢进行加工制作。支、吊、托架要统一加工,形式一致。支吊、托架的角钢、槽钢的管卡眼,一律采用机械钻孔,严格禁止电气焊打孔。
7支吊架安装
1. 吊杆的安装
将吊杆安装在根部的条形孔内。
2. 吊梁的安装
将各种不同用途的吊梁,按照设计方案的要求,安装在不同的标高上。支、吊、托架所用的角钢、槽钢开口朝向应一致。
8支吊架的校正及检查试验
1. 综合支吊架的校正
每个区域的综合支吊架安装完成后,采用水准仪和经纬仪对综合支吊架的吊杆和吊梁进行调正、调平。
2. 过载试验
使用承重物悬挂于支吊架上,荷载为设备、风道、电缆桥架、各类管道及支吊架自重及工作荷载的总合的2倍,悬挂时间为12小时。试验结果应预埋件牢固、吊架根部焊接严密、支吊架未变形为合格。
过载试验


















评论0