现浇结构构件之间出现的锚固无非就几种。梁筋锚向其他构件,柱筋锚向其他构件,墙筋锚向其他构件。(在这里就不讲板了哈!)

那各构件的弯折段的长度分别应该考虑多少呢?
在这里,小编要先讲一个非常重要的逻辑:谁重要,谁就出力少(12d),尽可能地让那些次要构件自力更生(15d)!
在抗震中,竖向构件一定比横向构件更重要,所以横向构件需要尽可能地自力更生(15d)!(记住这四个字,很重要,会贯穿全文)
为了方便讲解,我如下表示:
梁筋锚入柱:梁筋→柱;
柱筋锚入梁:柱筋→梁。
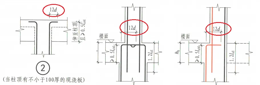
①柱筋→梁

22G101-1 P2-16
柱筋→梁时,弯折段都比较小,12d。为何不大呢?因为柱子在结构中扮演主角!梁是相对次要构件,所以,柱子就意思一下,用12d来抓住梁!
②梁筋→其他构件
★梁筋→柱时,图集描述:

22G101-1 P2-18
朋友们,看到没有,现在梁筋→柱时,弯折长度15d(①中讲的柱筋→梁时,为12d)!
是不是发现了一个规律:柱子作为竖向构件,更重要,少出力;梁作为相对次要构件,应该多出力,自力更生,牢牢地抓住柱子,而不是让柱子来抓住自己!

梁自力更生,抓紧柱子
★梁筋→墙时,图集描述:

22G101-1 P2-38
看到没!墙在这里也作为主角,梁依然是相对次要构件,梁依然需要自力更生,抓紧墙体,所以要弯折15d!
③墙筋→其他构件(墙/梁/柱/板)
墙在这里比较特殊,因为剪力墙竖向力和横向力都能承受,所以时而为横向,时而为竖向(反正竖向就是主角,可以少出力,12d;横向就是配角,就要自己多出力,15d)。我分别标明:
★墙筋→梁(墙为竖向,主角)

22G101-1 P2-22
既然墙扮演主角,那墙就意思一下,弯12d就好了。能不能拉得紧,全看梁自己的造化了。(②中讲的梁筋→墙,是15d,梁自力更生)
★墙筋→板(墙为竖向,主角)

22G101-1 P2-22
但有个地方比较特别,就是地下室顶板位置,如果板与墙相互传力,就不分伯仲:需要都15d。(但这属于特殊情况)

22G101-1 P2-31
★墙筋→柱(墙为横向,配角)

22G101-1 P2-20
可以看到,此时,墙在柱面前就是小弟,就是渣渣,只能扮演配角。三十年河东,三十年河西,此时墙也得自力更生了!它往柱里锚固,必须得15d,才能抱紧柱这个大腿!
★墙筋→墙(不分伯仲,都差不多,配角需要共同努力)

22G101-1 P2-19
此时,墙与墙差别不大,都成为不了绝对主角,所以就共同努力吧!相互抓紧,15d!
好了,回忆一下今天的规律:意思一下12d,自力更生15d!
①柱筋→梁:
柱主角,意思一下,12d;
②梁筋→其他:
★梁筋→柱,梁配角,自力更生,15d;
★梁筋→墙,梁配角,自力更生,15d;
③墙筋→其他:
★墙筋→梁,墙主角,意思一下,12d;
★墙筋→板,墙主角,意思一下,12d;
★墙筋→柱,墙配角,自力更生,15d;
★墙筋→墙,墙配角,自力更生,15d。
本文摘自公众号 土木张师傅 ,感谢原作者分享,本文仅供参考学习,如有侵权请联系删除!



评论0